豪利777官网

上海豪利777官网电子科技有限公司

当前位置:豪利777官网电子 > 隔膜防爆压力传感器 > PTL719盾构机压力传感器

PTL719盾构机压力传感器

盾构机压力传感器测量端采用特殊处理坚固的厚金属膜片,采用力学传递原理,被测介质中坚硬砂粒,小岩石颗粒通过隔离膜片传感压力,且不会损坏内部敏感元件。该压力传感器结构紧凑、耐腐蚀,抗震动、抗坚硬砂粒冲击、宽范围温度补偿。

广泛应用于土仓压力监测、液压系统压力监测、盾尾油脂腔压力监测等领域。

  • 简介及用途

    盾构机压力传感器测量端采用特殊处理坚固的厚金属膜片,采用力学传递原理,被测介质中坚硬砂粒,小岩石颗粒通过隔离膜片传感压力,且不会损坏内部敏感元件。该压力传感器结构紧凑、耐腐蚀,抗震动、抗坚硬砂粒冲击、宽范围温度补偿。

    广泛应用于土仓压力监测、液压系统压力监测、盾尾油脂腔压力监测等领域。


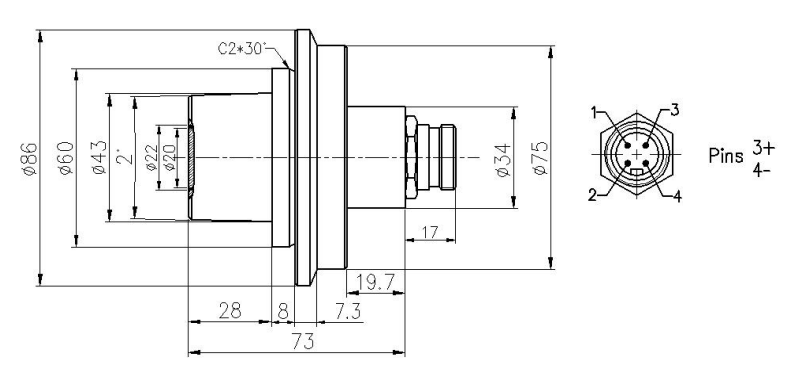
  • 结构与外形尺寸

    image


  • 参数指标
    量程    0-6,10,,16,25,40,60,100bar
    综合精度    0.2%F·S、0.5%F·S
    输出信号    4~20mA(二线制)、0~5V、1~5V、0~10V(三线制)
    供电电压    24DCV(10~30VDC)
    介质温度    -20~75℃
    环境温度    -30~75℃
    绝缘电阻    大于2000MΩ(100VDC)
    密封等级    IP67
    长期稳定性能    0.1%F·S/年
    振动影响    在机械振动频率20Hz~1000Hz内,输出变化小于0.1%F·S
    电气接口    M12*1 接插件
    过载压力    300%FS


  • 购买流程

    零售: 联系客服-咨询产品参数-确认产品型号-付款-物流发货-签收

    大客户: 联系客服-咨询行业解决方案-确认产品型号参数-签订相关技术合同-付款-物流发货-签收



  • 售后保证及调试培训

    1.豪利777官网为客户提供安装调试服务,以及其他技术咨询,必要时技术人员可上门提供技术培训。客户如有技术上疑问,技术人员将在4个小时内给出回复。

    2.豪利777官网产品严格按照ISO9001国际质量体系设计生产,传感器产品质保1年.仪表类产品质保3年,7天退换货,终身维修。(人为损坏不在质保范围,定制产品无质量问题不退不换。)

    3.因质量问题造成的退换货,豪利777官网将承担退换货运费。非质量问题退换货费用将由客户承担。
    注:质量问题是指功能,尺寸、指标、安装方式等定制参数未按照客户提出的要求定制,功能不符,尺寸误差,精度不准(误差范围内除外)。
    定制产品需双方确认图纸后加工生产,如产品不符合客户要求需在二周内提出书面异议,客户未按规定期限提出异议视为验收合格。
    如在期限内提出异议,双方确认后确属产品质量问题或未按双方确认后的要求生产,可调换或退款。如无质量问题,且发货型号与合同签订型号完整无误,则不提供退换货服务。

    4. 返厂维修的产品将在3个工作日内出具检测结果,7个工作日内完成维修。

    售后咨询

    技术咨询、返厂维修、发票、投诉建议等相关问题。售后服务热线021-51601181



  • 地址:上海市宝山区顾村镇沪太路5018号梓坤科技园1号楼910室

  • 24小时全国热线:400-7282-986

  • 售前咨询热线:021-51602986

  • 售后咨询热线:021-51601181

企业公众号
企业抖音号
企业视频号
企业微博
企业小红书
Copyright © 2010-2024 上海豪利777官网电子科技有限公司 版权所有
cache
Processed in 0.003377 Second.