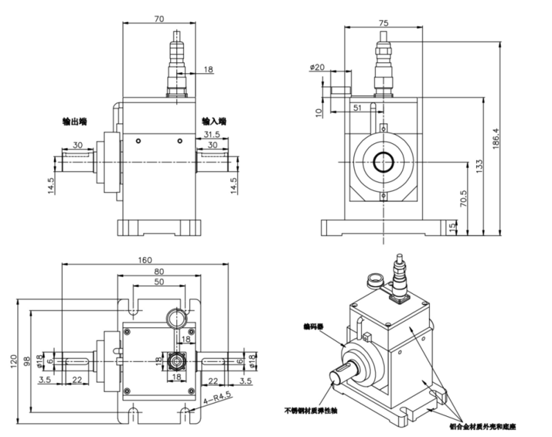
动态扭矩传感器专门用于测量扭矩、角度参数的传感器。此款传感器是标准款的基础上加装角度编码器,角度输出 360-10000 线可选(可根据客户要求定输出方式),从而使角度测量更精确,方便客户采集。既可以测量扭矩,也可以测量旋转角度,检测精度高、稳定性好、抗干扰性强;体积小、重量轻、易于安装;不需反复调零即可连续测量正反转扭矩;应变弹性体强度大,可承受 150%载荷;抗干扰性强,可任意位置,任意方向安装;传感器部分可脱离二次仪表独立使用,直接与测量板卡、PLC 或 DCS 组成扭矩测量装置。
广泛应用于工业制造与自动化,交通装备,能源与动力设备,科研与实验等领域。


1.豪利777官网为客户提供安装调试服务,以及其他技术咨询,必要时技术人员可上门提供技术培训。客户如有技术上疑问,技术人员将在4个小时内给出回复。
2.豪利777官网产品严格按照ISO9001国际质量体系设计生产,传感器产品质保1年.仪表类产品质保3年,7天退换货,终身维修。(人为损坏不在质保范围,定制产品无质量问题不退不换。)
3.因质量问题造成的退换货,豪利777官网将承担退换货运费。非质量问题退换货费用将由客户承担。
注:质量问题是指功能,尺寸、指标、安装方式等定制参数未按照客户提出的要求定制,功能不符,尺寸误差,精度不准(误差范围内除外)。
定制产品需双方确认图纸后加工生产,如产品不符合客户要求需在二周内提出书面异议,客户未按规定期限提出异议视为验收合格。
如在期限内提出异议,双方确认后确属产品质量问题或未按双方确认后的要求生产,可调换或退款。如无质量问题,且发货型号与合同签订型号完整无误,则不提供退换货服务。
4. 返厂维修的产品将在3个工作日内出具检测结果,7个工作日内完成维修。
售后咨询
技术咨询、返厂维修、发票、投诉建议等相关问题。售后服务热线021-51601181
地址:上海市宝山区顾村镇沪太路5018号梓坤科技园1号楼910室
24小时全国热线:400-7282-986
售前咨询热线:021-51602986
售后咨询热线:021-51601181
企业公众号
企业抖音号
企业视频号
企业微博
企业小红书